欢迎来到,深圳市腾华泰电子有限公司官网
语言:
中文
-
English
销售热线
13823735130
首    页
产品中心
资源下载
新闻资讯
关于腾华泰
产品中心
news
查看更多
公司简介
组织架构
企业文化
代理证书
在线留言
联系我们
产品分类
CATEGORIES
东科半导体
奥伦德光耦
二极管
三极管
整流桥
MOS
德普微
华源智信
微盟
天钰
采用ERP系统管理,更专业化
您的位置:
首页
->
产品展示
->
华源智信
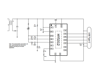
HY5312
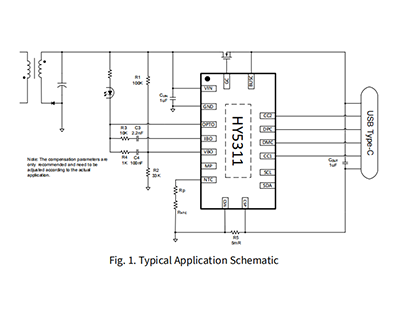
HY5311
HY930B
HY920B
总数:13 总页数:2 当前是:第2页
第一页
上一页
下一页 最后页转到
第1页
第2页