欢迎来到,深圳市腾华泰电子有限公司官网
语言:
中文
-
English
销售热线
13823735130
首    页
产品中心
资源下载
代理证书
新闻资讯
关于腾华泰
产品中心
news
查看更多
公司简介
组织架构
企业文化
代理证书
在线留言
联系我们
热门关键词:
触摸控制IC、
同步整流IC 、
LED驱动IC、
二极管、
三极管、
整流桥、
MOS、
肖特基整流管
产品分类
CATEGORIES
东科半导体
华源智信
德普微
微盟
赛威
天钰
奥伦德光耦
二极管
三极管
整流桥
MOS
采用ERP系统管理,更专业化
产品中心
您的位置:
首页
->
产品中心
->
赛威
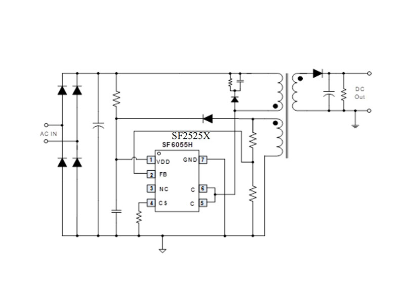
SF2525X
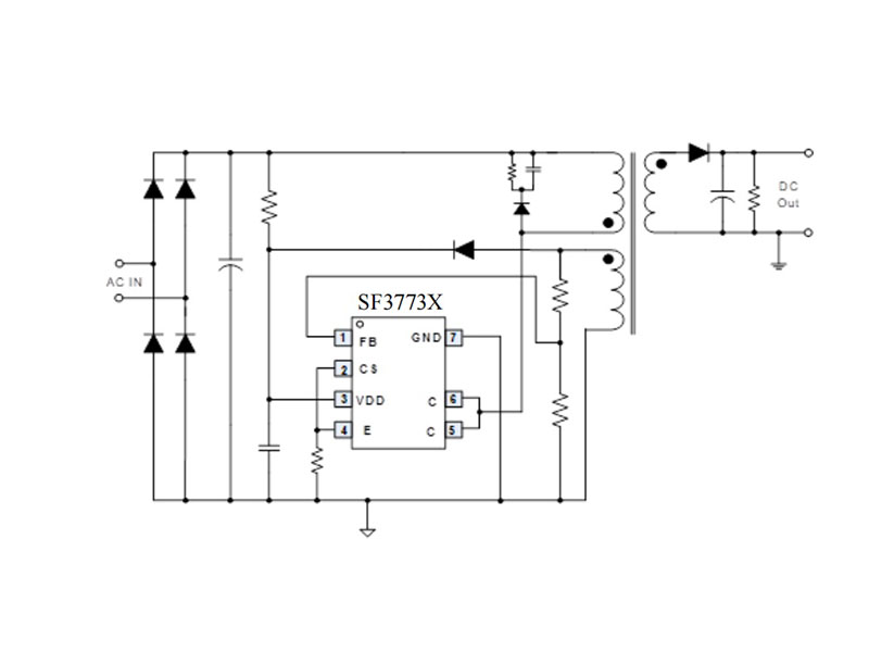
SF3773X
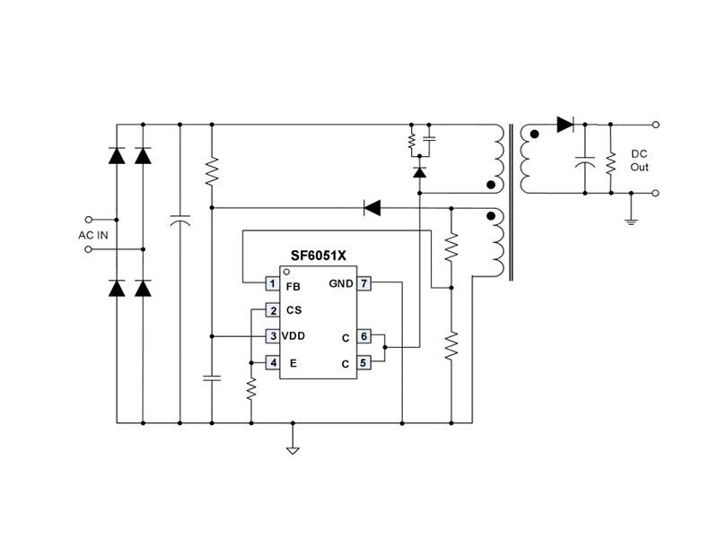
SF6051BCDEF
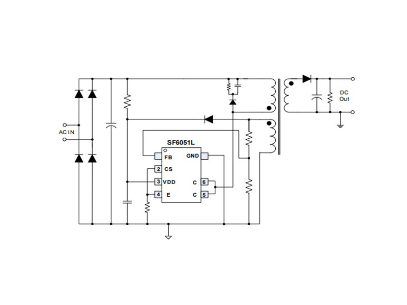
SF6051L
SF6705B
SF6771S
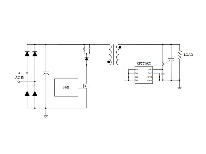
SF7708X
SF7720X
总数:8 总页数:1 当前是:第1页 第一页 上一页 下一页 最后页转到
第1页